Приточно-вытяжная установка Вентс ВУТ 900 Г ЕС ЭКО А11 - это полностью готовая установка для фильтрации, притока свежего и удаления загрязненного воздуха в помещении. Применяется в системах вентиляции и кондиционирования помещений различного назначения, требующих экономичного решения и управляемой системы вентиляции. Установки предназначены для энергоэффективной вентиляции частных домов и квартир в условиях низких температур наружного воздуха. Благодаря применению высокоэффективных ЕС моторов и увеличенного рекуператора противоточного типа показатели энергосбережения установок серии ЭКО являются одними из наилучших на рынке.
Отличительные особенности приточно-вытяжной установки Вентс ВУТ 900 Г ЕС ЭКО А11:
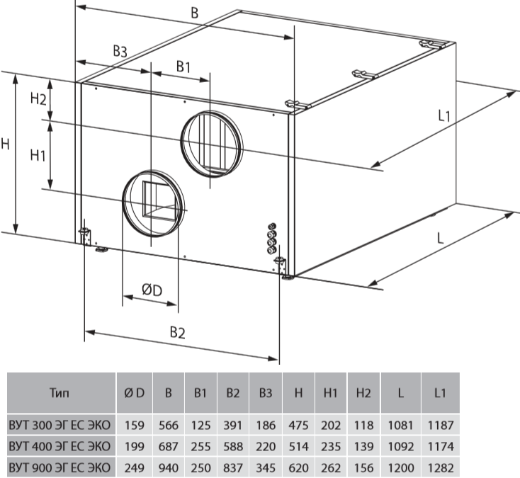
- Горизонтальный вывод патрубков для соединения с воздуховодами 250-го диаметра.
- В установках применяется высокоэффективный пластинчатый рекуператор противоточного типа, выполненный из полистирола. Под блоком рекуператора расположен поддон для сбора и отвода конденсата.
- Для предотвращения обмерзания рекуператора в установках предусмотрена защиты от обмерзания.
- Используются высокоэффективные электронно-коммутируемые (ЕС) моторы с внешним ротором. Такие моторы являются на сегодняшний день наиболее передовым решением в области энергосбережения. ЕС моторы характеризуются высокой производительностью и оптимальным управлением во всем диапазоне скоростей вращения. Несомненным преимуществом электронно-коммутируемого двигателя является высокий КПД (до 90%). Установки оборудованы вентиляторами постоянного расхода с рабочими колесами с загнутыми вперед лопатками. Эти вентиляторы обеспечивают настроенный расход, даже если сопротивление вентиляционной системы изменяется в процессе работы, например при запылении фильтров.
- Установка оборудована байпасом, который автоматически открывается в летнее время если есть необходимость охлаждения помещения прохладным уличным воздухом. Если установка оборудована электрическим нагревателем, то байпас используется для защиты рекуператора от обмерзания.
- Для фильтрации приточного воздуха в установке имеется карманный фильтр со степенью очистки G4, опционально доступен F7. Для фильтрации вытяжного воздуха - кассетный фильтр G4.
- Корпус изготовлен из алюмоцинковой стали с внутренней тепло- и звукоизоляцией из минеральной ваты толщиной 25 мм.
- Напольный, либо подвесной монтаж. Доступ для сервисного обслуживания и чистки фильтров со стороны передней панели.
- А11 - встроенная система автоматики и многофункциональная панель управления с сенсорным графическим дисплеем. В комплект поставки входит провод длиной 10 м для соединения установки с панелью управления.

- Включение/выключение, выбор скорости, таймер, суточное и недельное расписание, ошибки.
- Поддержание заданной температуры в помещении либо в канале.
- Управление по канальному датчику влажности HV1 (приобритается отдельно) либо по встроенному в панель управления.
- Регулировка 3-х скоростей вращения вентиляторов.
- Управление встроенным или опциональным электрическим нагревателем.
- Контроль засорения фильтров по счетчику моточасов.
Принцип работы и устройство приточно-вытяжной установки Вентс ВУТ 900 Г ЕС ЭКО А11:
- Теплый загрязненный воздух из помещения поступает в устройство, осуществляется фильтрация поступающего воздуха в фильтре, далее воздух проходит через рекуператор и при помощи вытяжного вентилятора по воздуховодам выбрасывается на улицу. Чистый холодный воздух с улицы по воздуховодам поступает в установку, где осуществляется его фильтрация. Далее воздух проходит через рекуператор и при помощи приточного вентилятора воздух поступает в помещение.
- В рекуператоре происходит обмен тепловой энергией теплого загрязненного воздуха, поступающего из комнаты, с чистым холодным воздухом, поступающим с улицы. При этом потоки воздуха не перемешиваются. Это обеспечивает уменьшение потерь тепловой энергии, что приводит к уменьшению затрат на обогрев помещений в холодный период года.
- Для нагрева приточного воздуха в установке предусмотрен электронагреватель мощностью 3 кВт с защитой от перегрева.
Технические характеристики приточно-вытяжной установки Вентс ВУТ 900 Г ЕС ЭКО А11:
Габаритные размеры приточно-вытяжной установки Вентс ВУТ 900 Г ЕС ЭКО А11:

Технические характеристики
| Серия | ВУТ Г |
| Расход воздуха | 942 м3/ч |
| Потребляемая мощность | 340 Вт |
| Уровень шума | 28-47 дБ |
| Тип рекуператора | Пластинчатый |
| Материал рекуператора | Пластиковый |
| Эффективность рекуперации | 98 % |
| Тип монтажа | Универсальный |
| Подключение воздуховодов | Горизонтальное |
| Размер подключения воздуховодов | 250 мм |
| Min. температура воздуха | -25 С |
| Max. температура воздуха | +60 С |
| Сила тока | 2,2 А |
| Частота вращения | 1740 мин-1 |
| Напряжение питания | 1~230 В/Гц |
| Тип управления | Электронное |
| Габаритные размеры | 1282х620х940 мм |
| Вес | 80 кг |
| Страна производства | Украина |